広島鯉城リトルシニア -日本リトルシニア中学硬式野球協会 関西連盟-
熱投TOP
ログイン
問い合わせ
入団案内
←
2026年 05月
→
日
月
火
水
木
金
土
1
2
3
4
5
6
7
8
9
10
11
12
13
14
15
16
17
18
19
20
21
22
23
24
25
26
27
28
29
30
31
TOP
試合情報
カレンダー
選手・スタッフ紹介
アルバム
入団案内
練習グラウンド
グラウンド寸法
TOP
> グラウンド寸法
グラウンド寸法
ダウンロード PDF
印刷して使って下さいね。(^.^)/~~~
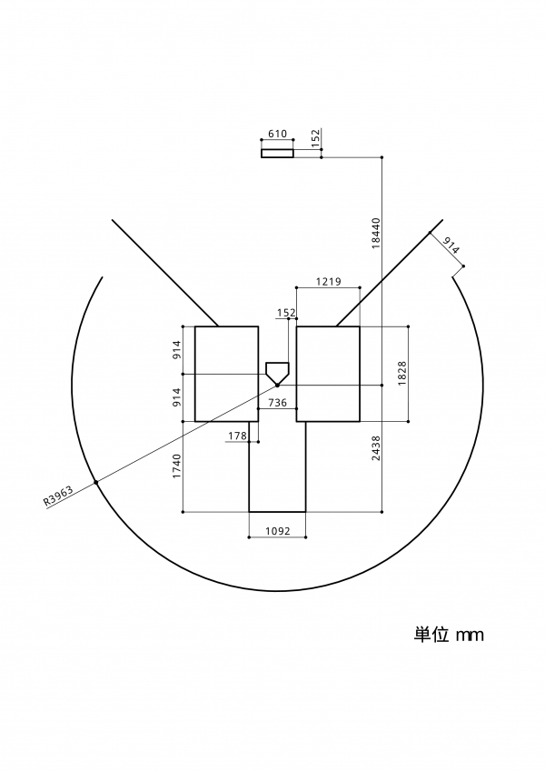
バッターボックス寸法
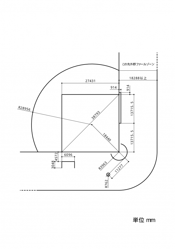
グラウンド寸法
バッターボックス
グラウンド
1
予定
05/16(土)【1・2年】通常..
05/16(土)【2・3年】OP..
05/17(日)【1・2年】OP..
05/17(日)【2・3年】通常..